Caterpillar Схемы деталей/узлов
Каталоги

Кабины. Модель COMPACT WHEEL LOADER 901C

Просмотр 1 - 16 из 53

317-1280: ОГРАЖДЕНИЕ

317-1280: ОГРАЖДЕНИЕ

Cat® Refrigerant Condenser Guard to encase and shield the refrigerant condenser in air conditioning


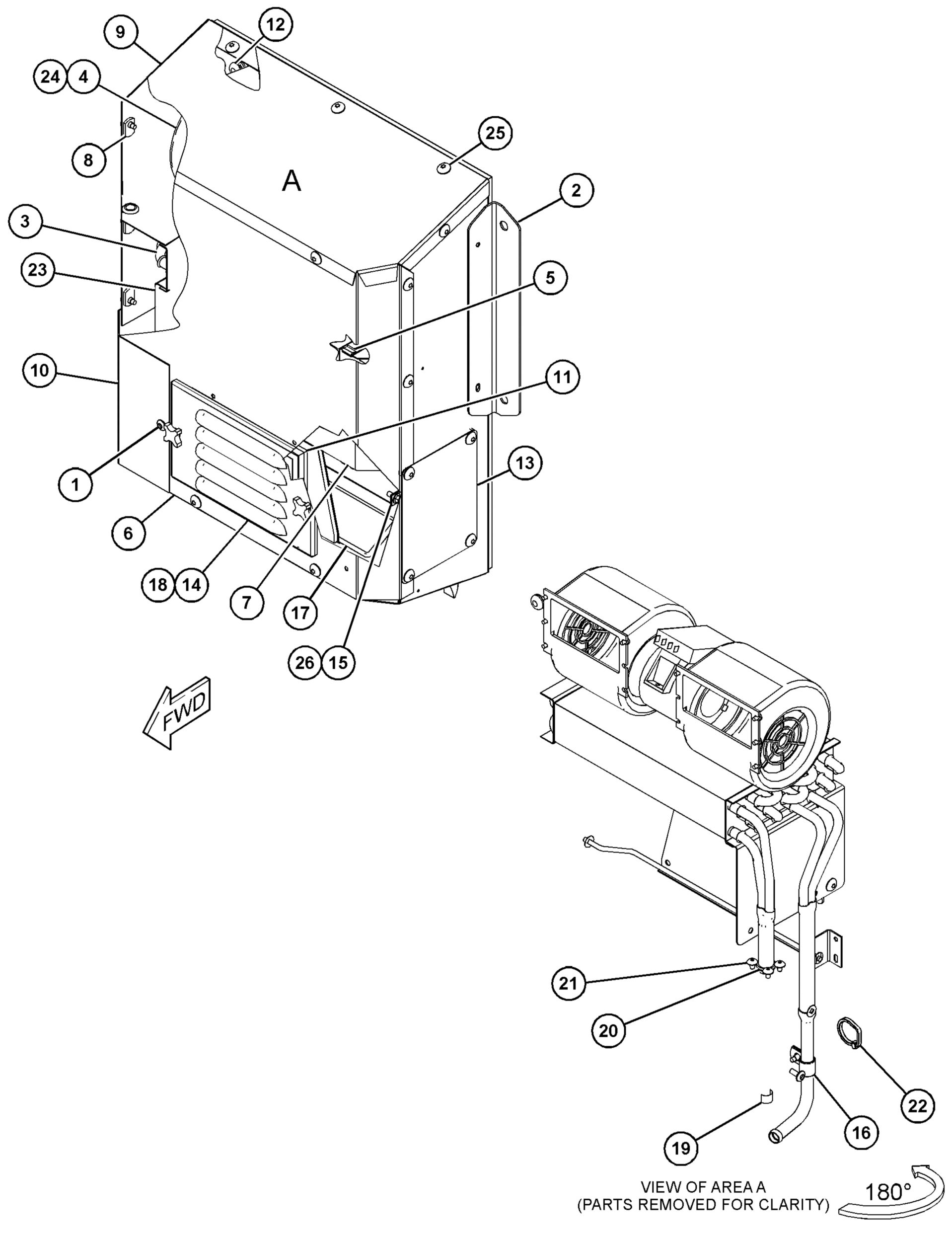
398-5591: Нагреватель в сборе

398-5591: Нагреватель в сборе

Нагреватель Cat® в сборе


421-5867: Изоляция

421-5867: Изоляция

Изоляция Cat® (капот)


436-5153: Панель правая

436-5153: Панель правая

Панель правая Cat®


567-3671: Operator Suspension Seat

567-3671: Operator Suspension Seat

Cat® Operator Suspension Seat helps to improve operator comfort, reduce fatigue, and enhance safety


605-1569: Sheet

605-1569: Sheet

Cat® Sheet (Wiper Group)


508-7581: УПЛОТНЕНИЕ В СБОРЕ

508-7581: УПЛОТНЕНИЕ В СБОРЕ

Cat® Sliding Window Center Seal provides a barrier against external elements such as wind, dust, rai


499-5872: ЗМЕЕВИК ИСПАРИТЕЛЯ В СБОРЕ

499-5872: ЗМЕЕВИК ИСПАРИТЕЛЯ В СБОРЕ

Cat® Air Conditioner Evaporator Coil is responsible for cooling and dehumidifying indoor air by abso


421-5868: Изоляция

421-5868: Изоляция

Изоляция Cat® (капот)


433-6343: Стойка в сборе

433-6343: Стойка в сборе

Стойка Cat® в сборе (зеркало)


437-0419: ОТВАЛ В СБОРЕ WIP

437-0419: ОТВАЛ В СБОРЕ WIP

Cat® Operator Cabin Wiper blade used for clear windshield via rubber strip for effective debris and


Просмотр 1 - 16 из 53

Обозначение

Обозначение

Заводское исполнение

Эта запчасть разработана в соответствии с характеристиками производителя специально для вашего оборудования Cat.

В случае изменения конфигурации производителя продукт может не подойти к вашему оборудованию Cat. Перед покупкой проконсультируйтесь со своим дилером Cat, чтобы убедиться, что запчасть подходит для оборудования Cat в его текущем состоянии и предполагаемой конфигурации. Этот индикатор не может гарантировать совместимость со всеми запчастями.

Восстановленный

Не подлежит возврату

Набор

Заменен

Восстановленный

Не подлежит возврату

Набор

Заменен