Caterpillar Схемы деталей/узлов
Каталоги
Нагреватель в сборе

398-5591: Нагреватель в сборе

Нагреватель Cat® в сборе


Заинтересовал товар?

Имя

Почта

Комментарий

Схема

Не найдено

Описание для номера по каталогу 398-5591

Описание
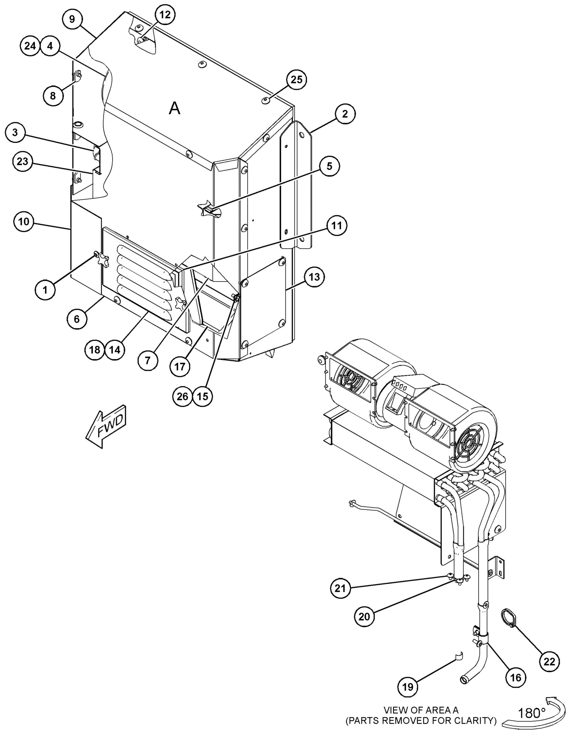
Нагреватели кондиционированного воздуха Cat для кабины оператора в сборе используют нагретую охлаждающую жидкость двигателя. Применение компонентов Cat служит гарантией работы оборудования на оптимальном уровне.

Характеристики
• Нагреватель в сборе включает в себя пластину в сборе, змеевик, корпус, вентилятор, крышки, нагнетательный вентилятор, клапан в сборе и стандартные метрические крепежные элементы

Применение
Нагреватели в сборе используются в оборудовании Cat для тяжелых условий работы и оснащены испарителями для стабилизации температуры воздуха и создания комфортных условий работы оператора. Для получения дополнительной информации обратитесь к руководству пользователя или к местному дилеру Cat.

WarningOutline Предупреждение: При использовании этого изделия можно подвергнуться воздействию различных химических веществ, включая свинец и соединения свинца, которые, как установлено в штате Калифорния, вызывают рак и врожденные дефекты или другие нарушения репродуктивной функции. Дополнительную информацию см. на веб-сайте www.P65Warnings.ca.gov.

Технические характеристики номера по каталогу 398-5591

  • Габаритная ширина (мм): 478,9

  • Габаритная длина (дюймы): 21,87

  • Общая высота (дюймы): 8,48

  • Габаритная длина (мм): 555,5

  • Общая высота (мм): 215,4

  • Габаритная ширина (дюймы): 18,85

  • Material: Carbon Steel

Совместимые модели для номера по каталогу 398-5591

COMPACT WHEEL LOADER

903D 902C 903C 901C 901C2 903C2 902C2