Caterpillar Схемы деталей/узлов
Каталоги
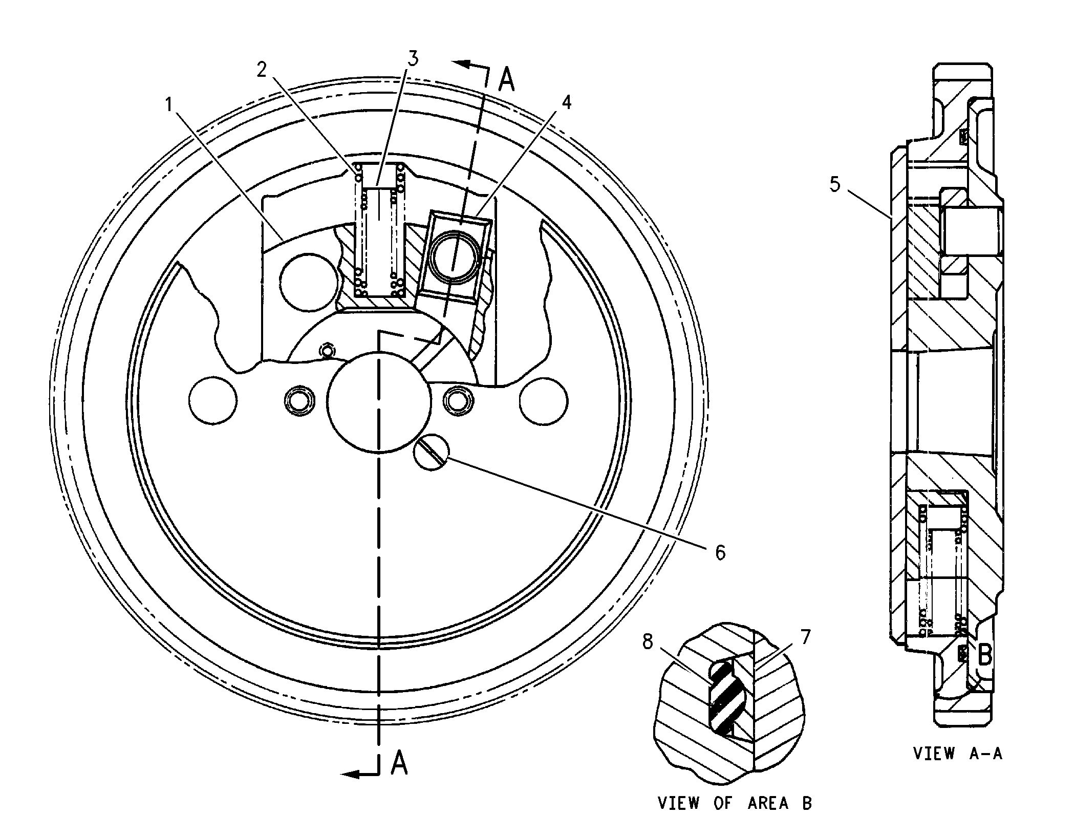
ГРУЗИЛО В СБОРЕ

9N-5760: ГРУЗИЛО В СБОРЕ

Cat® 5 Degree Oil Damped Advance Front Gear Weight provides synchronized motion transfer


Заинтересовал товар?

Имя

Почта

Комментарий

Схема

Не найдено

Описание для номера по каталогу 9N-5760

An Oil Damped Advance Front Gear Weight is a toothed machine part that meshes with other toothed parts to transmit motion or to change speed or direction. It is used for enabling the precise and synchronized transmission of motion and power. The incorporation of oil damping technology further enhances the smoothness and efficiency of the gear's operation.

Attributes:
• Facilitates precise speed and direction changes with minimal energy loss
• Manufactured to precise specifications and is built for durability and reliability

Applications:
An Oil Damped Advance Front Gear Weight is used to facilitate the smooth and controlled transfer of rotational motion and power between interconnected mechanical parts.

WarningOutline Предупреждение: При использовании этого изделия можно подвергнуться воздействию различных химических веществ, включая свинец и соединения свинца, которые, как установлено в штате Калифорния, вызывают рак и врожденные дефекты или другие нарушения репродуктивной функции. Дополнительную информацию см. на веб-сайте www.P65Warnings.ca.gov.

Технические характеристики номера по каталогу 9N-5760

  • Material: Sealants / Adhesives Adhesive,Oil Fluid

Совместимые модели для номера по каталогу 9N-5760

WHEEL SKIDDER

525

TRACK-TYPE TRACTOR

D7H D6D

RIPPER

7

BULLDOZER

7SU 7S LGP

INDUSTRIAL ENGINE

3306 3306B

WHEEL LOADER

970F

CHALLENGER

65C 65B 65D 65 70C

EXCAVATOR

L 350-A 350

WHEEL SCRAPER

621E 637E 615C

ARTICULATED TRUCK

D25D D30D D300B D30C D35C D25C D350C

HYDRAULIC CONTROL

143 140

MARINE ENGINE

3306 3306B

TRUCK ENGINE

3306 3306B