Caterpillar Схемы деталей/узлов
Каталоги
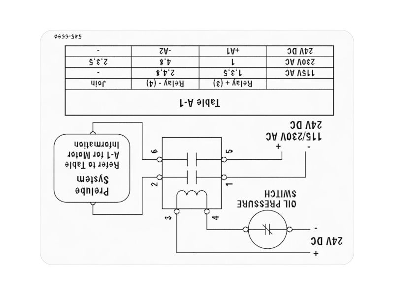
Pre-Lubrication Identification Film

585-6690: Pre-Lubrication Identification Film

Cat® Pre-Lubrication Identification Film clearly labels and identifies the pre-lubrication electrica


Заинтересовал товар?

Имя

Почта

Комментарий

Схема

Не найдено

Описание для номера по каталогу 585-6690

The Pre-Lubrication Identification Film is a label used to identify electrical components related to the pre-lubrication system. This film helps operators and technicians easily locate and verify pre-lubrication connections. Clear labeling ensures proper maintenance, and troubleshooting of the pre-lubrication system, enhancing operational efficiency and equipment longevity.

Attributes:
• Provides visual and textual guidance.
• High-contrast colors for quick identification.
• Enhanced visibility in different lighting conditions.
• Resistant to fading and discoloration over time.

Applications:
The Pre-Lubrication Identification Film is affixed directly to the lubrication unit, ensuring that the components are easily identifiable for proper connection, maintenance, and troubleshooting.

WarningOutline Предупреждение: При использовании этого изделия можно подвергнуться воздействию различных химических веществ, включая свинец и соединения свинца, которые, как установлено в штате Калифорния, вызывают рак и врожденные дефекты или другие нарушения репродуктивной функции. Дополнительную информацию см. на веб-сайте www.P65Warnings.ca.gov.

Технические характеристики номера по каталогу 585-6690

  • Length (mm): 101.6

  • Length (in): 4

  • Film Width (mm): 76.2

  • Film Width (in): 3

  • Letter Color: Black

  • Weight (kg): 0.01

  • Weight (lb): 0.03

  • Material: PVC Plastic

Совместимые модели для номера по каталогу 585-6690

GENERATOR SET

G3520C