Caterpillar Схемы деталей/узлов
Каталоги
Электростартер на 24 В для тяжелых условий эксплуатации

478-9867: Электростартер на 24 В для тяжелых условий эксплуатации

Электростартер Cat® на 24 В для тяжелых условий эксплуатации


Заинтересовал товар?

Имя

Почта

Комментарий

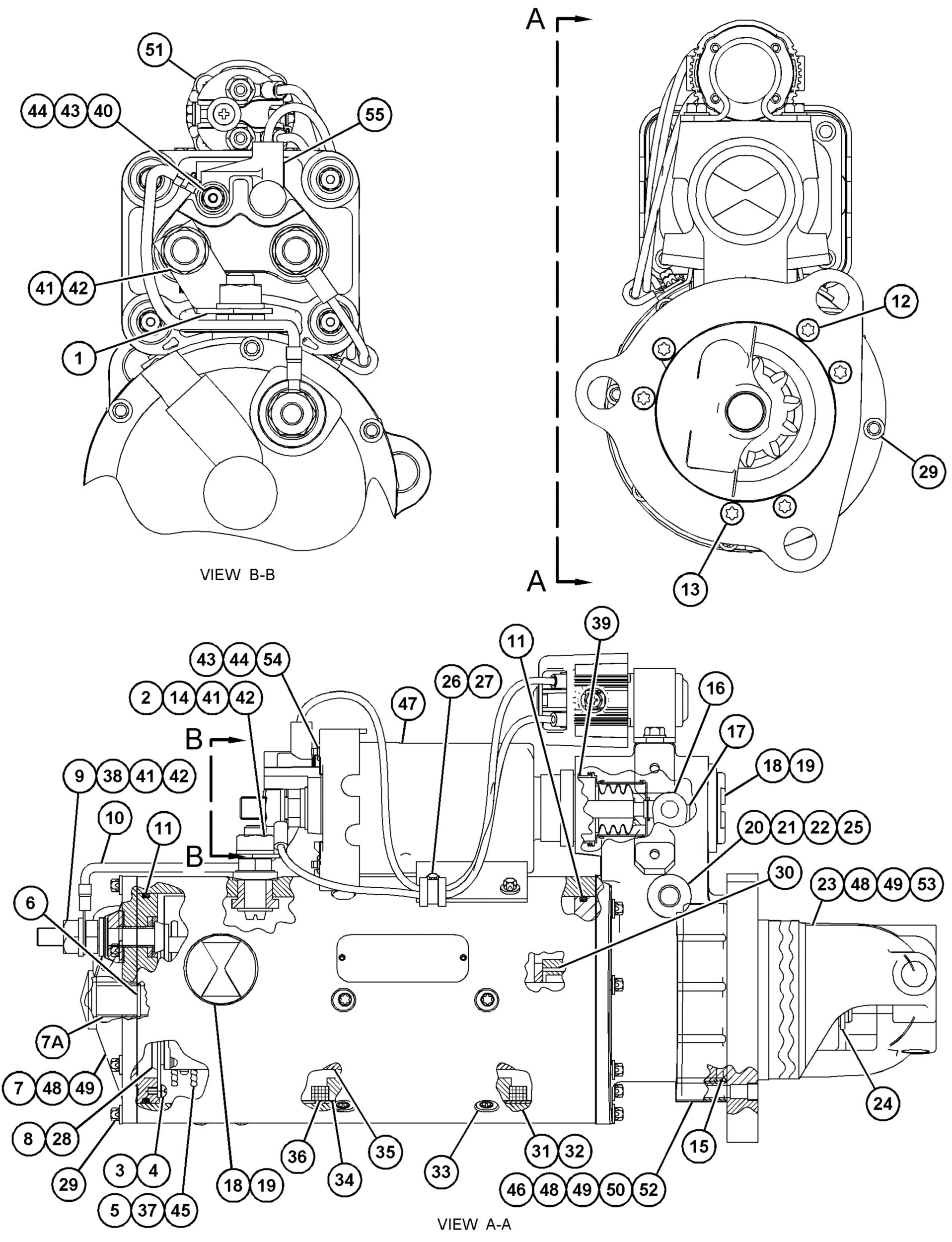
Схема

Не найдено

Описание для номера по каталогу 478-9867

Описание:
Электрические стартеры, такие как номер по каталогу 478-9867, обеспечивают высокую и надежную производительность даже в условиях сильного загрязнения и при очень низких температурах. Стартеры способны выдерживать высокий ток, необходимый при холодном пуске двигателей. В щеточной конструкции используются цельные щетки, требующие меньшего технического обслуживания, и постоянно нагруженные пружины, уменьшающие износ щеток. Стартеры Cat спроектированы как часть сбалансированной электрической системы, работа которых согласована с другими компонентами двигателя Cat. Каждый блок подвергается тщательным испытаниям, поэтому вы можете быть уверены в неизменной надежности продукции Cat.

Детали Cat изготовлены в соответствии с точными техническими характеристиками и обеспечивают долговечность, надежную работу, высокую производительность, меньшее воздействие на окружающую среду и возможность повторного использования.

Характеристики:
• Спроектированы для запуска при температурах до -10 °C (-14 °F)
• Монтажный фланец: SAE № 3
• Направление вращения: CW

Применение:
Для получения дополнительной информации см. руководство владельца или обратитесь к местному дилеру Cat.

WarningOutline Предупреждение: При использовании этого изделия можно подвергнуться воздействию различных химических веществ, включая свинец и соединения свинца, которые, как установлено в штате Калифорния, вызывают рак и врожденные дефекты или другие нарушения репродуктивной функции. Дополнительную информацию см. на веб-сайте www.P65Warnings.ca.gov.

Технические характеристики номера по каталогу 478-9867

  • Ток (ампер): Не указано

  • Электрический пуск и/или предпусковая смазка: Электрический пуск

  • Одобрено для использования на судах: Да

  • Установочный круг (мм): 146

  • Установочный размер (носовой обтекатель): Передний кожух SAE № 3

  • Шаг зубьев шестерни: 6/8

  • Зуб шестерни: 11/12

  • Напряжение (В): 24

  • Material: Carbon Steel

Совместимые модели для номера по каталогу 478-9867

Не найдено