Caterpillar Схемы деталей/узлов
Каталоги
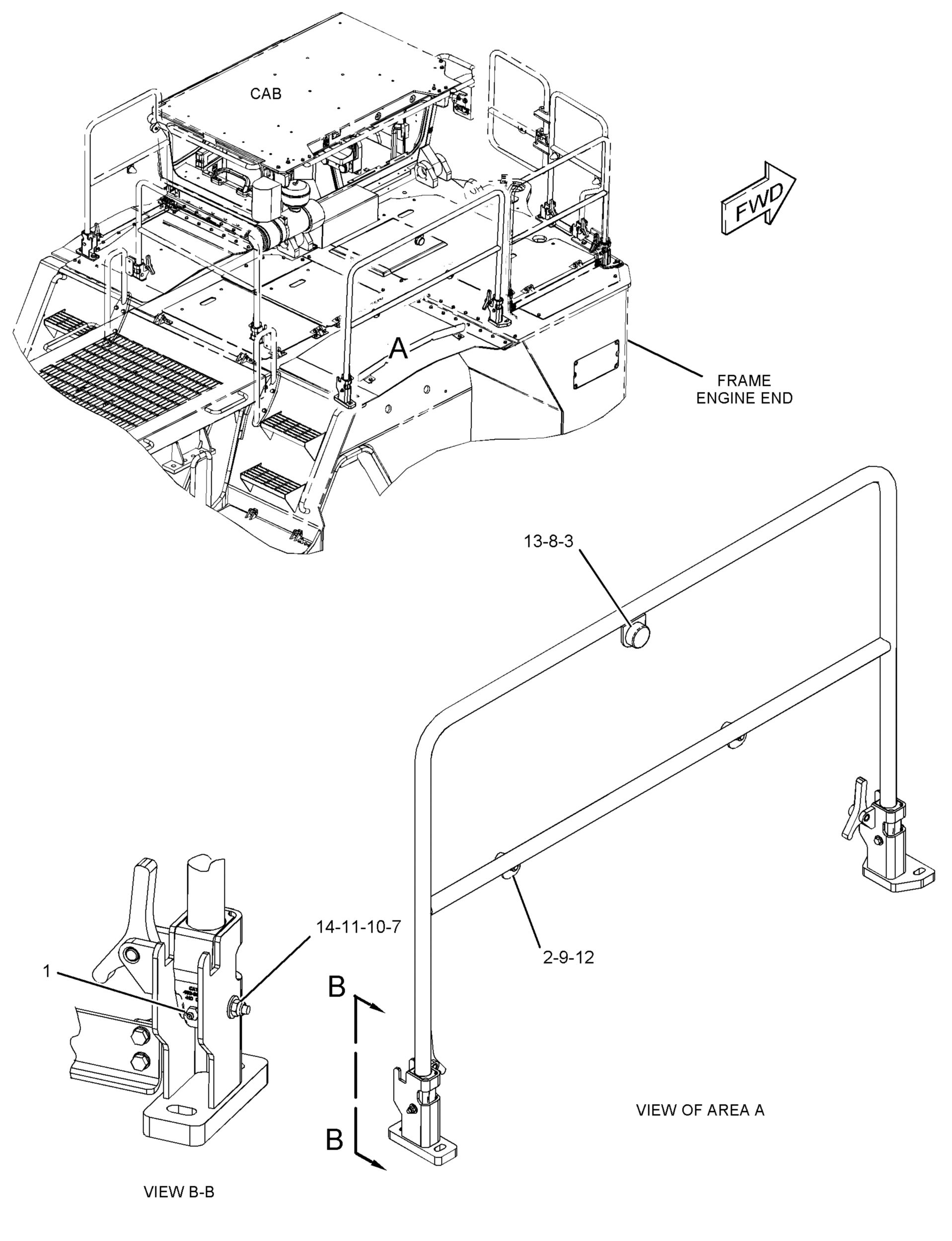
ПОРУЧЕНЬ

453-8703: ПОРУЧЕНЬ

Cat® Enhance safety and accessibility with handrails, for providing support and preventing falls


Заинтересовал товар?

Имя

Почта

Комментарий

Схема

Не найдено

Описание для номера по каталогу 453-8703

The Handrail is for enhancing safety and accessibility. They provide support and prevent falls, contributing to reliable assistance. Engineered for durability, these railings offer stability to individuals while ascending or descending stairs, ramps, or platforms. This is for promoting safety and accessibility.

Attributes:
• Enhance safety and accessibility with durable handrails.
• Provide support and prevent falls.
• Engineered for reliable assistance and stability.
• Offers support on stairs, ramps, and platforms.
• Essential for promoting safety in various settings.

Applications:
The Handrail is used to enhance safety and accessibility by providing support for platforms and ensuring accessible environments.

WarningOutline Предупреждение: При использовании этого изделия можно подвергнуться воздействию различных химических веществ, включая свинец и соединения свинца, которые, как установлено в штате Калифорния, вызывают рак и врожденные дефекты или другие нарушения репродуктивной функции. Дополнительную информацию см. на веб-сайте www.P65Warnings.ca.gov.

Технические характеристики номера по каталогу 453-8703

  • Material: Anti-Sieze Compound Mixed

Совместимые модели для номера по каталогу 453-8703

LOAD HAUL DUMP

R2900G R3000H