Caterpillar Схемы деталей/узлов
Каталоги
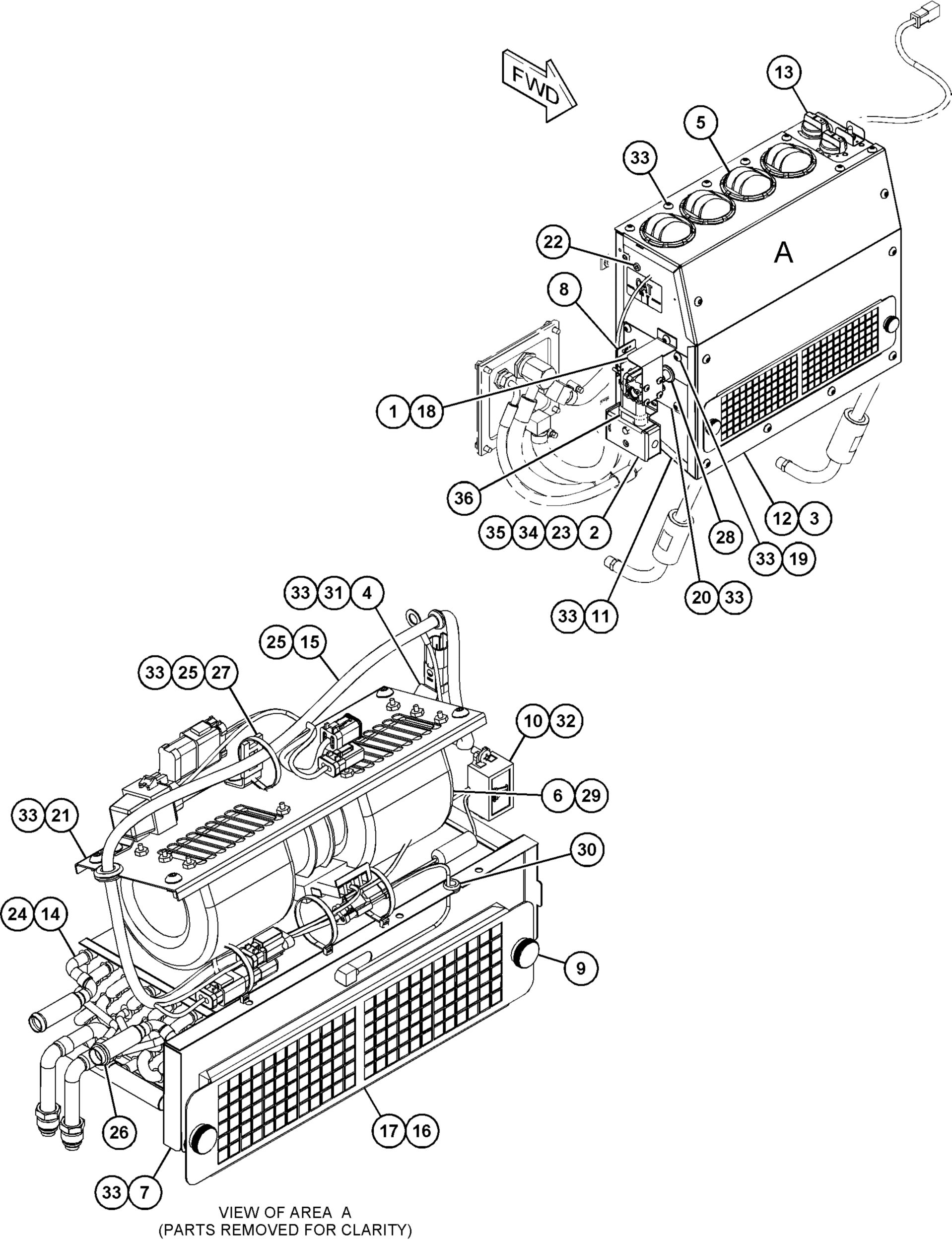
КОНДИЦИОНИРУЮЩАЯ ПРИСАДКА

378-7600: КОНДИЦИОНИРУЮЩАЯ ПРИСАДКА

Cat® Air Conditioner controls the temperature inside the cabin by removing heat and moisture from th


Заинтересовал товар?

Имя

Почта

Комментарий

Схема

Не найдено

Описание для номера по каталогу 378-7600

An Air Conditioner provides a controlled and comfortable environment within the operator station, which is located in environments with high temperatures, and humidity. It is responsible for circulating the refrigerant through the unit. The refrigerant absorbs heat from the air inside the operator station and carries it to the condenser unit located outside the station. The heat is dissipated into the surrounding environment, and the refrigerant is cooled and converted back into a liquid state.

Attributes:
• Allows the operators to focus on their tasks without being affected by extreme heat
• Precise control over temperature and humidity levels

Applications:
An Air Conditioner regulates the temperature and humidity levels within the station to create a comfortable and productive working environment for personnel by removing heat and moisture from the air inside the station.

WarningOutline Предупреждение: При использовании этого изделия можно подвергнуться воздействию различных химических веществ, включая свинец и соединения свинца, которые, как установлено в штате Калифорния, вызывают рак и врожденные дефекты или другие нарушения репродуктивной функции. Дополнительную информацию см. на веб-сайте www.P65Warnings.ca.gov.

Технические характеристики номера по каталогу 378-7600

  • Material: Stainless Steel

Совместимые модели для номера по каталогу 378-7600

UNDERGROUND ART TRUCK

AD30 AD55 AD63 AD45B AD60