Caterpillar Схемы деталей/узлов
Каталоги
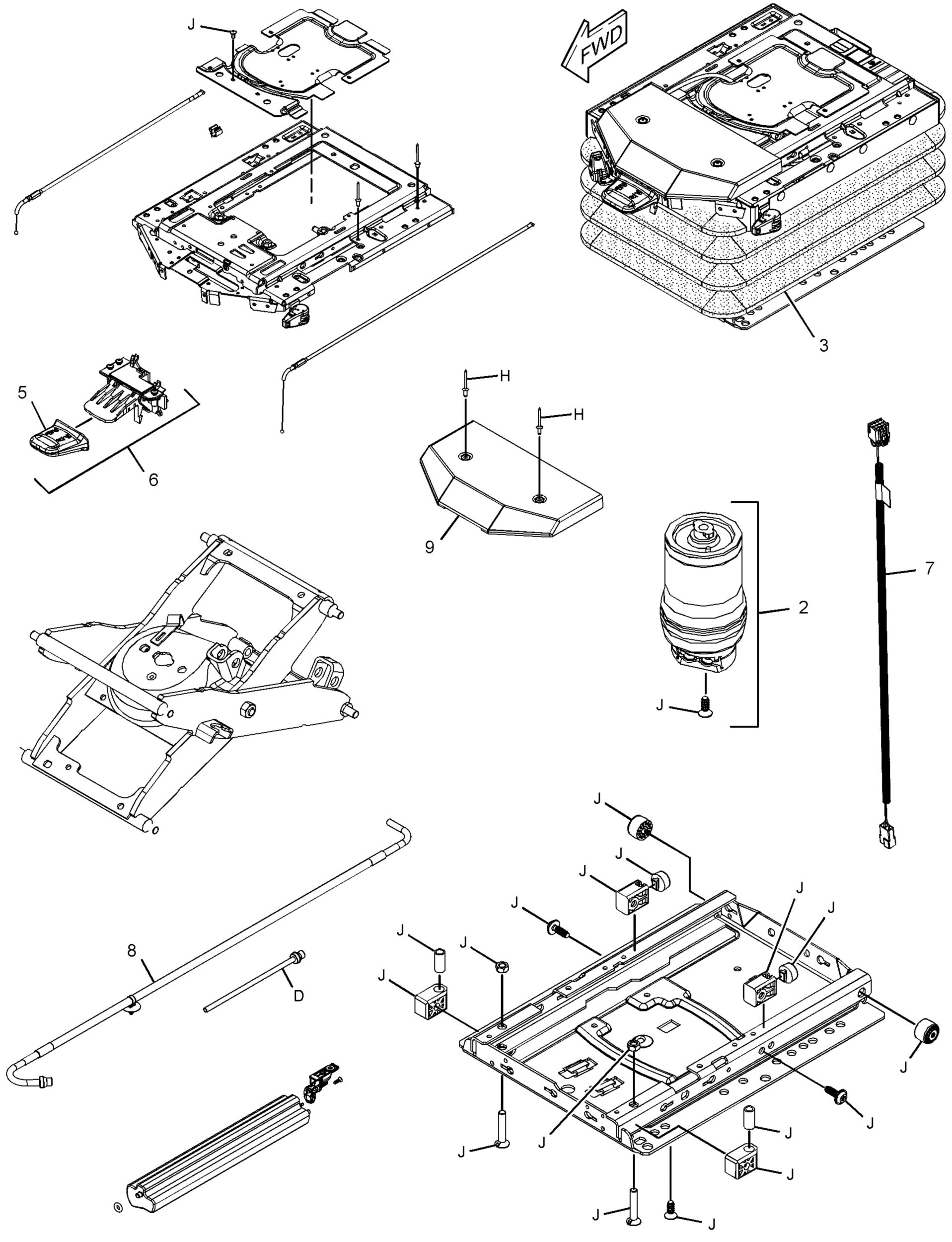
БЛОК ПОДВЕСКИ

366-1890: БЛОК ПОДВЕСКИ

Cat® Seat Suspension Assembly (Comfort)


Заинтересовал товар?

Имя

Почта

Комментарий

Схема

Не найдено

Описание для номера по каталогу 366-1890

Description:
Cat seats are designed to provide an ergonomic seating option for machine operators. Suspension seats provide a shock absorbing suspension system and adjust for the operator’s convenience to hand and foot controls. Cat air suspensions use pneumatic actuators to move seats to reduce vibration and adjust seats. Cat service and replacement parts allow easy field service of Cat seating systems. Quality you expect for your equipment.

Attributes:
• Air suspension assembly for Comfort Series seats
• Suspension cover
• Adjustment mechanisms on the front-left
• Fore and aft adjustment
• Height adjustment

Application:
Used to service or replace the seat suspension assembly used on rugged Cat suspension seat systems. Consult your owner's manual or contact your local Cat Dealer for more information.

WarningOutline Предупреждение: При использовании этого изделия можно подвергнуться воздействию различных химических веществ, включая свинец и соединения свинца, которые, как установлено в штате Калифорния, вызывают рак и врожденные дефекты или другие нарушения репродуктивной функции. Дополнительную информацию см. на веб-сайте www.P65Warnings.ca.gov.

Технические характеристики номера по каталогу 366-1890

  • Overall Height (in): 5.1

  • Material Description: Steel

  • Overall Width (mm): 381

  • Overall Length (mm): 599.4

  • Overall Width (in): 15

  • Overall Length (in): 23.6

  • Overall Height (mm): 129.5

  • Material: Carbon Steel

Совместимые модели для номера по каталогу 366-1890

WHEELED EXCAVATOR

MH M313D M315D M322D M318D M316D