Caterpillar Схемы деталей/узлов
Каталоги
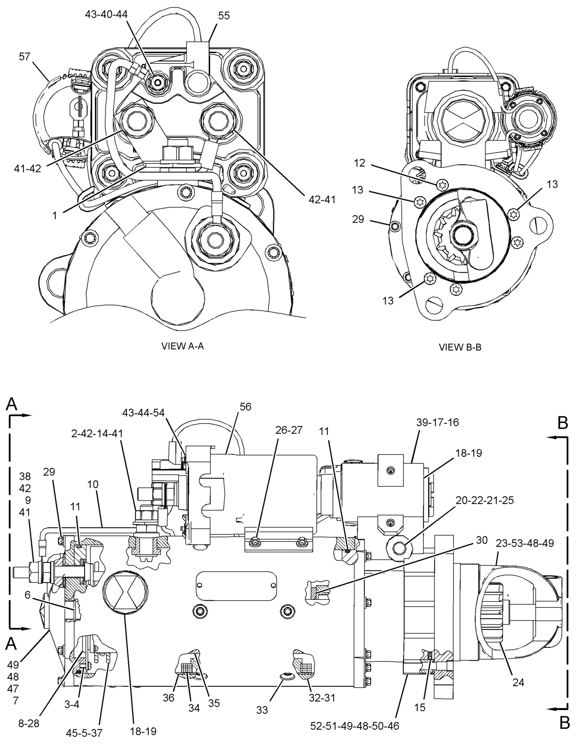
БЛОК ЭЛЕКТРОДВИГАТЕЛЯ

349-6601: БЛОК ЭЛЕКТРОДВИГАТЕЛЯ


Заинтересовал товар?

Имя

Почта

Комментарий

Схема

Не найдено

Описание для номера по каталогу 349-6601


Built to work hard and deliver reliable performance even in tough, dirty, bitter-cold conditions, Cat® Starters are designed to handle the high current needed when cranking cold engines. Every time. The Brush-Type Design uses one-piece brushes for less maintenance, and constant-pressure springs for even brush wear. Cat Starters are engineered to be part of a balanced electrical system, working in unison with the rest of your Cat engine components. Each unit is rigorously tested, so you know you’re getting genuine Cat reliability. Off-the-shelf availability minimizes your down time, and all Cat diesel engine parts come with a 12-month warranty.

  • Designed to crank to -32 °C (-25 °F).
  • Unmatched starting capacity compared to even the best competitors’ products.
  • Highest sealing and anti-corrosion specs in the industry: seamless, one-piece solenoid casing that protects against corrosion, vibration and extreme weather.
  • You’re buying less downtime and lower repair bills, helping you achieve the lowest owning and operating costs over your engine’s lifecycle.

WarningOutline Предупреждение: При использовании этого изделия можно подвергнуться воздействию различных химических веществ, включая свинец и соединения свинца, которые, как установлено в штате Калифорния, вызывают рак и врожденные дефекты или другие нарушения репродуктивной функции. Дополнительную информацию см. на веб-сайте www.P65Warnings.ca.gov.

Технические характеристики номера по каталогу 349-6601

  • Material: Carbon Steel

Совместимые модели для номера по каталогу 349-6601

Не найдено