Caterpillar Схемы деталей/узлов
Каталоги
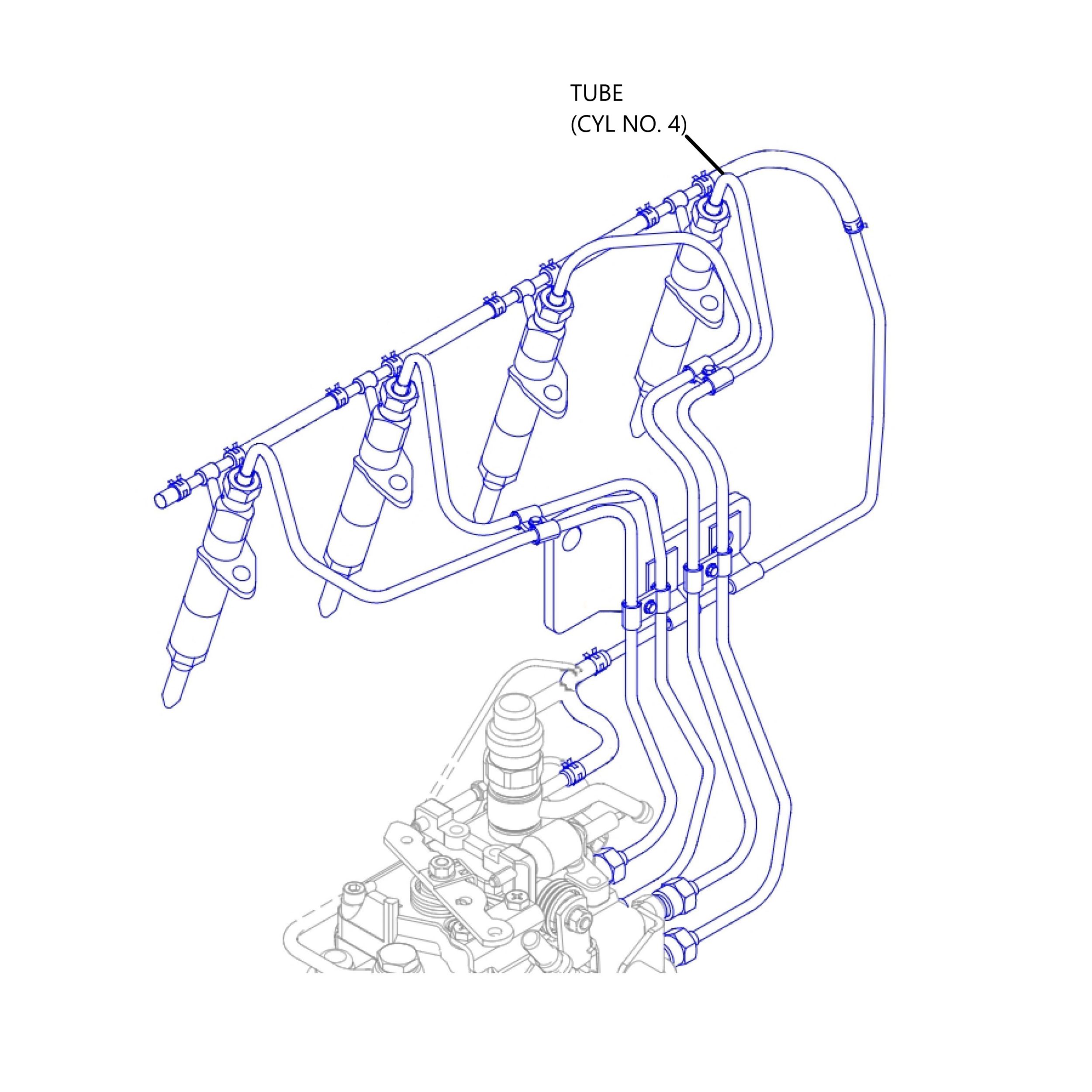
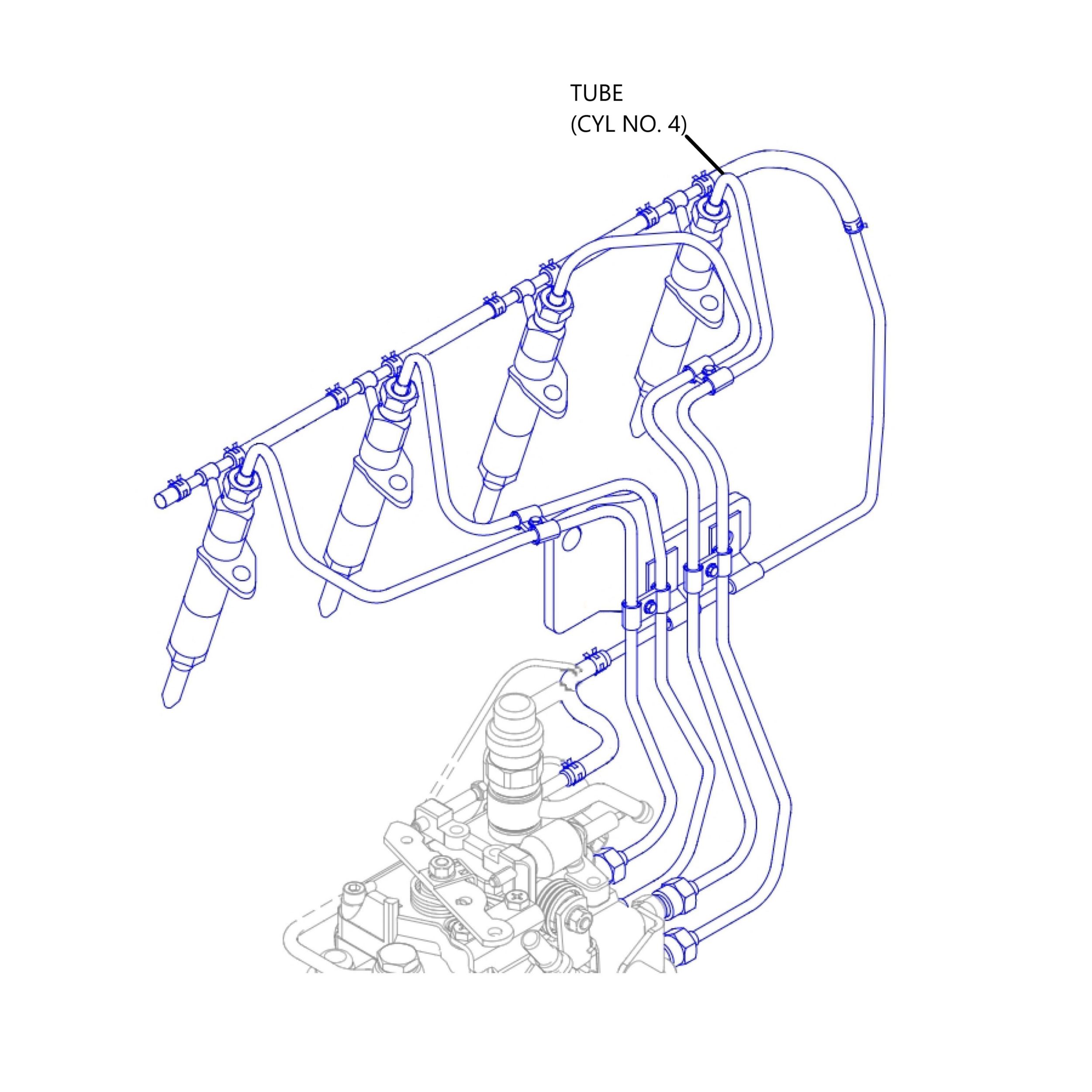
Трубка впрыска топлива

314-9983: Трубка впрыска топлива

Трубка впрыска топлива Cat® (трубка цилиндра № 4)


Заинтересовал товар?

Имя

Почта

Комментарий

Схема

Не найдено

Описание для номера по каталогу 314-9983

Описание.
Патрубки Cat соответствуют высочайшим стандартам качества и надежности. Эти прочные патрубки, также именуемые трубками, предназначены для подачи жидкостей или газов и изготавливаются с высокой точностью в соответствии с конкретной сферой применения. При изготовлении каждого патрубка в сборе Cat используются непревзойденные материалы и процессы, которые учитывают требования к давлению и силе потока и обеспечивают длительный срок службы и надлежащую работоспособность машины. Все патрубки в сборе Cat предназначены для специального применения и сконструированы и изготовлены с учетом точных требований допусков, благодаря чему четко соответствуют имеющимся на вашей машине Cat системам.

Характеристики.
Рассчитаны на определенное рабочее давление.

Применение.
Патрубки Cat используются в системах впрыска топлива в двигателях Cat. Для получения дополнительной информации см. руководство по техническому обслуживанию или свяжитесь с местным дилером Cat.

WarningOutline Предупреждение: При использовании этого изделия можно подвергнуться воздействию различных химических веществ, включая свинец и соединения свинца, которые, как установлено в штате Калифорния, вызывают рак и врожденные дефекты или другие нарушения репродуктивной функции. Дополнительную информацию см. на веб-сайте www.P65Warnings.ca.gov.

Технические характеристики номера по каталогу 314-9983

Не найдено

Совместимые модели для номера по каталогу 314-9983

SKID STEER LOADER

252B 236B