Caterpillar Схемы деталей/узлов
Каталоги
КОНДИЦИОНИРУЮЩАЯ ПРИСАДКА

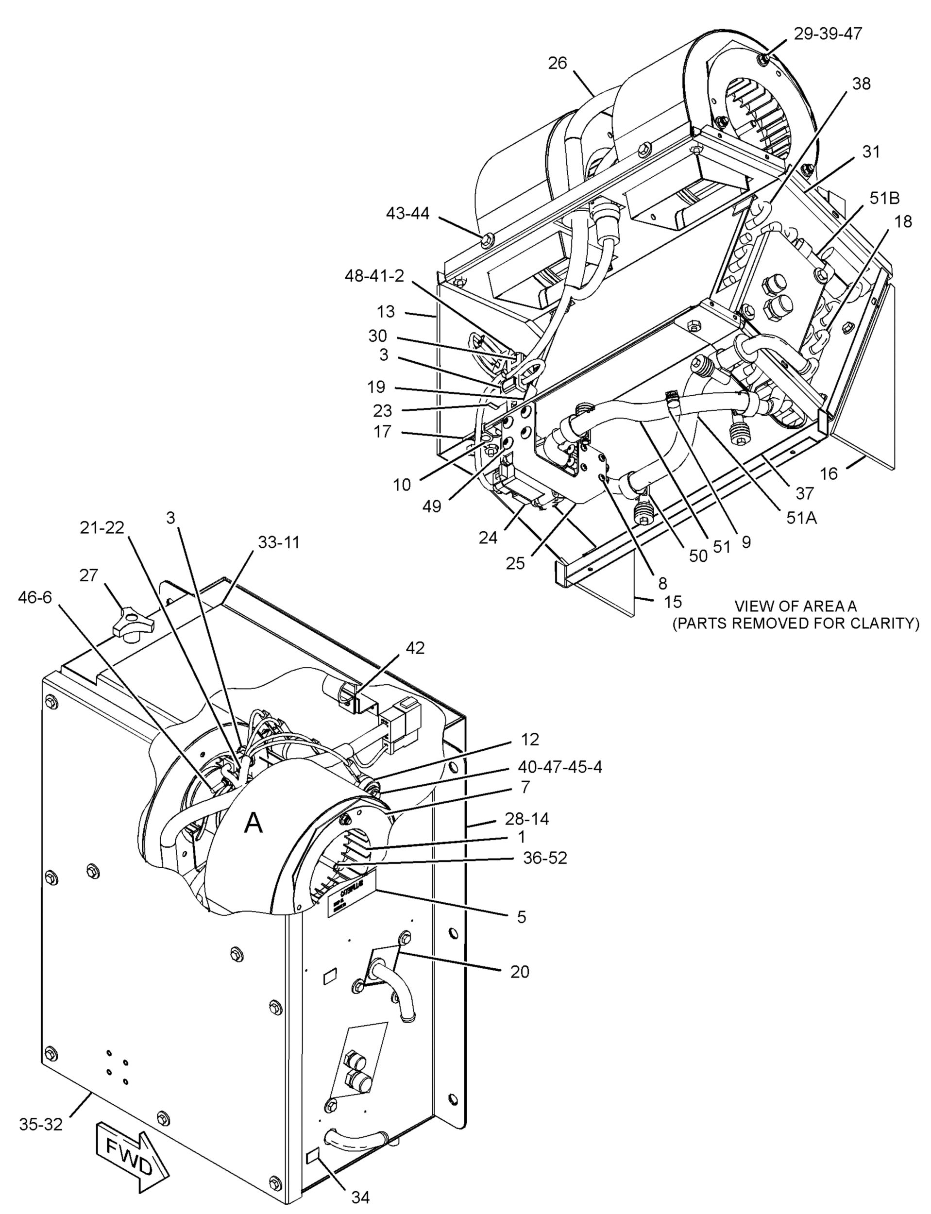
276-4911: КОНДИЦИОНИРУЮЩАЯ ПРИСАДКА

Cat® Air Conditioner cools and dehumidifies the air inside the Operator's Cabin


Заинтересовал товар?

Имя

Почта

Комментарий

Схема

Не найдено

Описание для номера по каталогу 276-4911

The Air Conditioner is used in the operator's cabin to create a controlled environment within the operator's cabin, providing relief from extreme temperatures, humidity, and dust. By maintaining a stable climate, air conditioners enhance operator concentration and reduce fatigue.

Attributes:
• Safeguards sensitive electronic equipment from overheating
• Manufactured to precise specifications and built for durability and reliability

Applications:
The Air Conditioner maintains a consistent temperature within the operator station, preventing extreme heat or cold that can hinder operator performance and safety.

WarningOutline Предупреждение: При использовании этого изделия можно подвергнуться воздействию различных химических веществ, включая свинец и соединения свинца, которые, как установлено в штате Калифорния, вызывают рак и врожденные дефекты или другие нарушения репродуктивной функции. Дополнительную информацию см. на веб-сайте www.P65Warnings.ca.gov.

Технические характеристики номера по каталогу 276-4911

  • Material: Carbon Steel

Совместимые модели для номера по каталогу 276-4911

WHEEL TRACTOR

621K OEM 621H 631K

WHEEL TRACTOR-SCRAPER

621 631 632