Caterpillar Схемы деталей/узлов
Каталоги
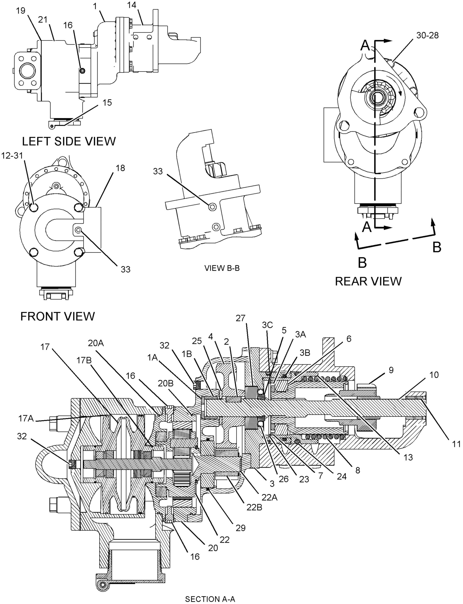
БЛОК ЭЛЕКТРОДВИГАТЕЛЯ ПНЕВМАТИЧЕСКОГО

261-1552: БЛОК ЭЛЕКТРОДВИГАТЕЛЯ ПНЕВМАТИЧЕСКОГО

Cat® Air Starting Motor provides initial rotational power to start the engine using compressed air a


Заинтересовал товар?

Имя

Почта

Комментарий

Схема

Не найдено

Описание для номера по каталогу 261-1552

An Air Starting Motor is used to initiate engine rotation. It utilizes compressed air as the power source to crank the engine and begin the combustion process. The air-starting motor consists of a pneumatic motor, a pinion gear, and a drive assembly. The pneumatic motor converts the energy from compressed air into rotational motion. The pinion gear is connected to the motor shaft and meshes with the engine's ring gear. The drive assembly transmits the rotational motion from the air-starting motor to the engine's crankshaft.

Attributes:
• Provides rapid engine response, minimizing startup time and optimizing vehicle readiness
• Manufactured to precise specifications and is built for durability and reliability

Applications:
An Air Starting Motor uses compressed air to crank the engine for starting, in cold weather or large engines. The air-starting motor delivers substantial torque, enabling it to start heavy-duty engines with high compression ratios.

WarningOutline Предупреждение: При использовании этого изделия можно подвергнуться воздействию различных химических веществ, включая свинец и соединения свинца, которые, как установлено в штате Калифорния, вызывают рак и врожденные дефекты или другие нарушения репродуктивной функции. Дополнительную информацию см. на веб-сайте www.P65Warnings.ca.gov.

Технические характеристики номера по каталогу 261-1552

Не найдено

Совместимые модели для номера по каталогу 261-1552

Не найдено