Caterpillar Схемы деталей/узлов
Каталоги
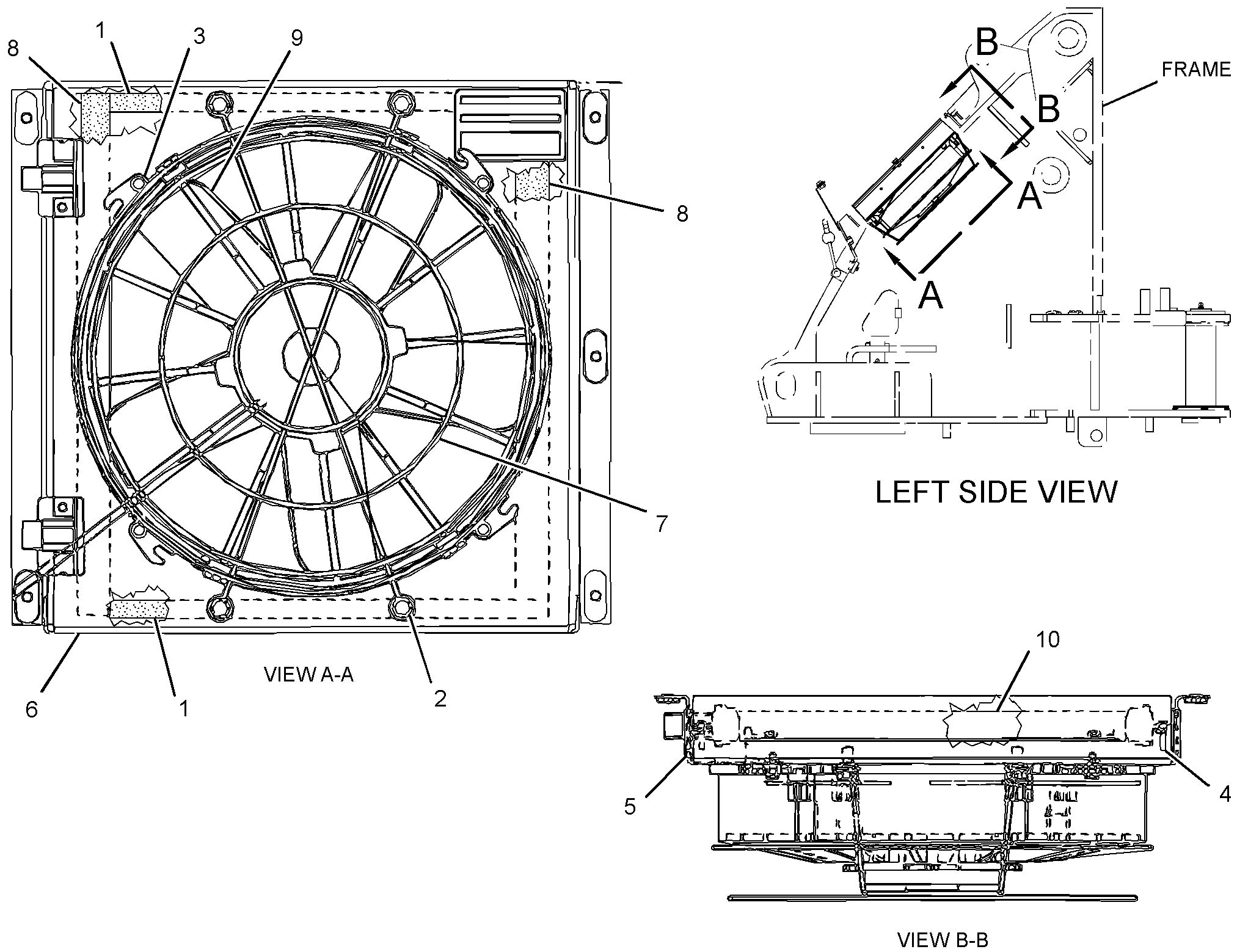
КОНДЕНСАТОР

241-5979: КОНДЕНСАТОР

Cat® Refrigerant Condenser helps to dissipate heat from the refrigerant, facilitating its transition


Заинтересовал товар?

Имя

Почта

Комментарий

Схема

Не найдено

Описание для номера по каталогу 241-5979

A Refrigerant Condenser is used to facilitate the heat transfer process by converting high-pressure, high-temperature refrigerant vapor into a high-pressure liquid state. It achieves this by removing heat from the refrigerant vapor, allowing it to condense and release thermal energy to the surrounding environment or a separate cooling medium. This process enables the refrigerant to transition to a liquid state, preparing it for further cooling and circulation within the air conditioning unit.

Attributes:
• Withstands harsh working conditions encountered during the operation
• Helps to maintain the desired temperature and humidity levels

Applications:
A Refrigerant Condenser acts as a heat exchanger, responsible for dissipating heat from the refrigerant, allowing it to transition from a gaseous state to a liquid state, thus enabling the efficient cooling of the machine's interior environment.

WarningOutline Предупреждение: При использовании этого изделия можно подвергнуться воздействию различных химических веществ, включая свинец и соединения свинца, которые, как установлено в штате Калифорния, вызывают рак и врожденные дефекты или другие нарушения репродуктивной функции. Дополнительную информацию см. на веб-сайте www.P65Warnings.ca.gov.

Технические характеристики номера по каталогу 241-5979

Не найдено

Совместимые модели для номера по каталогу 241-5979

COMPACT WHEEL LOADER

902 904H 904B 903D 902C 903C 901C 903 903C2 902C2