Двигатели
Просмотр 3025 - 3040 из 3084
469-0184: КОМПЛЕКТ МАСЛООХЛАДИТЕЛЯ И ТРУБОПРОВОДОВ
Комплект прокладок для маслоохладителя и трубопроводов
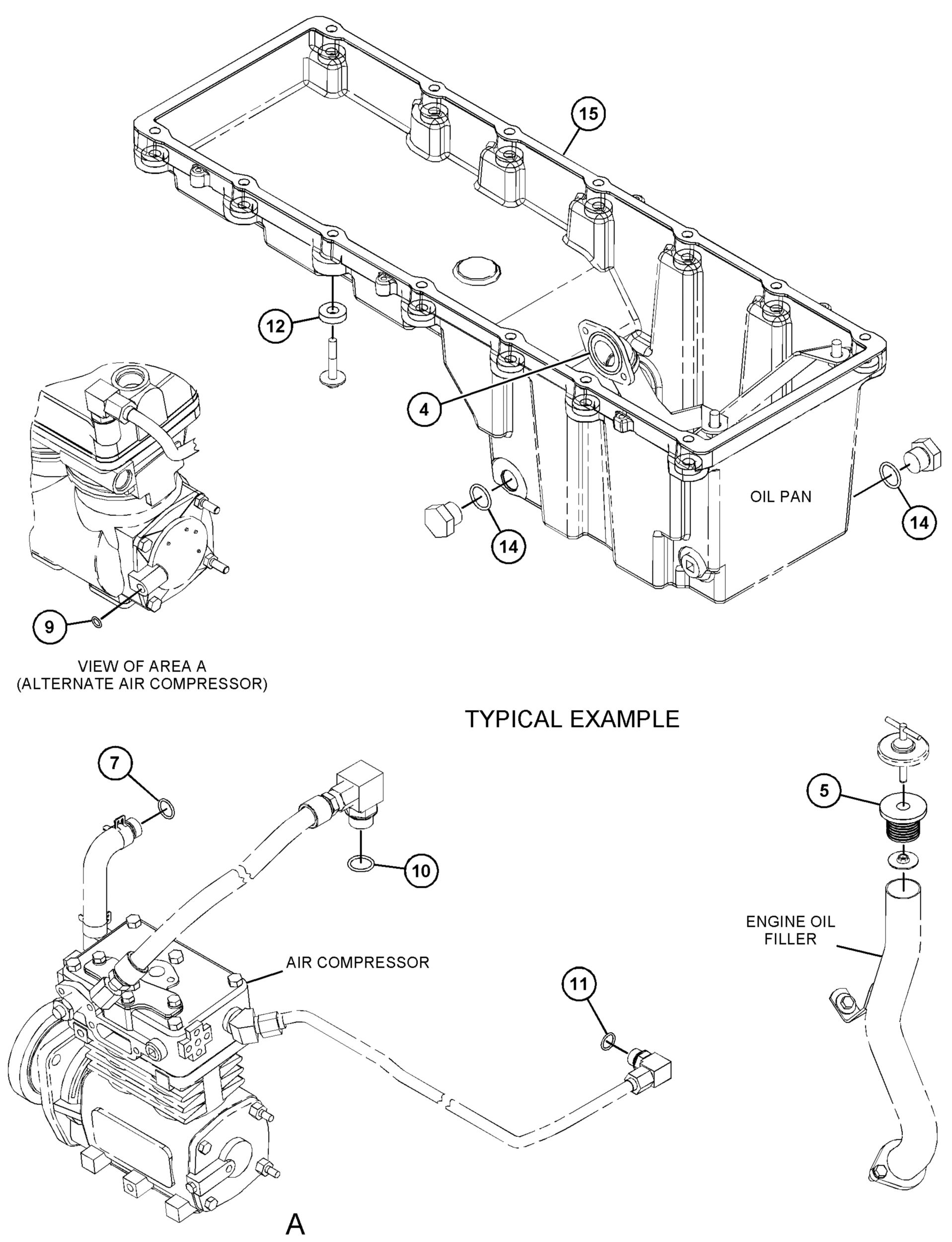
469-0823: КОМПЛЕКТ ПРОКЛАДОК
Cat® Single Cylinder Head Gasket Kit creates a reliable, leak-free seal between the engine block and
Просмотр 3025 - 3040 из 3084
Обозначение
Обозначение
Заводское исполнение
Эта запчасть разработана в соответствии с характеристиками производителя специально для вашего оборудования Cat.
В случае изменения конфигурации производителя продукт может не подойти к вашему оборудованию Cat. Перед покупкой проконсультируйтесь со своим дилером Cat, чтобы убедиться, что запчасть подходит для оборудования Cat в его текущем состоянии и предполагаемой конфигурации. Этот индикатор не может гарантировать совместимость со всеми запчастями.
Восстановленный
Не подлежит возврату
Набор
Заменен
Восстановленный
Не подлежит возврату
Набор
Заменен