Caterpillar Схемы деталей/узлов
Каталоги

Электрическое и электронное оборудование. Модель LOAD HAUL DUMP R1600H

Просмотр 81 - 96 из 112

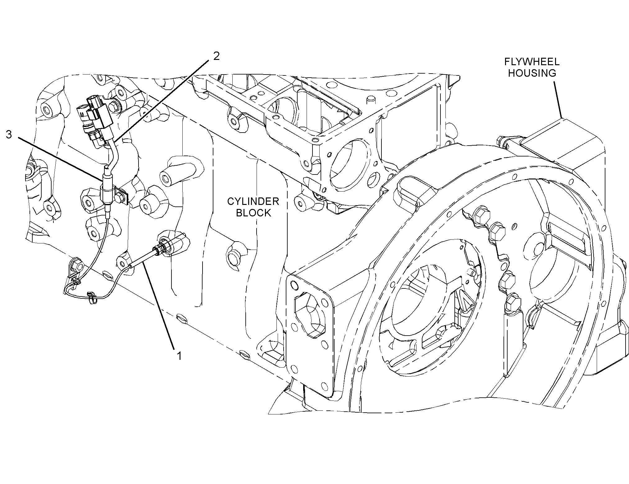
387-1994: ДАТЧИК ДАВЛЕН.

387-1994: ДАТЧИК ДАВЛЕН.

Cat® Transducer Speed Sensor with Heat Shrink Tube for Engine Crankshaft connected to Cylinder Block


391-2475: ЖГУТ ПРОВОДОВ В СБОРЕ

391-2475: ЖГУТ ПРОВОДОВ В СБОРЕ

Cat® Coolant Level Sensor 16GA Wiring Harness used in Shunt Tank


391-4437: КАБЕЛЬ В СБОРЕ

391-4437: КАБЕЛЬ В СБОРЕ

Cat® Battery Terminal Cable is used to establish a reliable connection and provides a low resistance


391-4438: КАБЕЛЬ В СБОРЕ

391-4438: КАБЕЛЬ В СБОРЕ

Cat® Battery Wiring Cable connect batteries to electrical components, facilitating power distributio


391-9075: ПРОВОДКА В СБОРЕ

391-9075: ПРОВОДКА В СБОРЕ

Cat® Electronic Control Module Ground Wiring Harness provides a stable and reliable ground connectio


392-8097: КАБЕЛЬ В СБОРЕ

392-8097: КАБЕЛЬ В СБОРЕ

Cat® Battery Wiring Cable connect batteries to electrical components, facilitating power distributio


395-9542: ВИЛКА СОЕДИНИТЕЛЬНАЯ В СБОРЕ

395-9542: ВИЛКА СОЕДИНИТЕЛЬНАЯ В СБОРЕ

Cat® Connector Plug for the panel harness securely connects and facilitates electrical connections i


3E-3377: Стопорная шайба 4-контактной розетки

3E-3377: Стопорная шайба 4-контактной розетки

Пластиковый фиксирующий клин для 4-контактной розетки Cat® с четырьмя позициями разъема


3E-3390: Контакт разъема

3E-3390: Контакт разъема

Латунный контакт разъема Cat®, количество контактов: 16


Просмотр 81 - 96 из 112

Обозначение

Обозначение

Заводское исполнение

Эта запчасть разработана в соответствии с характеристиками производителя специально для вашего оборудования Cat.

В случае изменения конфигурации производителя продукт может не подойти к вашему оборудованию Cat. Перед покупкой проконсультируйтесь со своим дилером Cat, чтобы убедиться, что запчасть подходит для оборудования Cat в его текущем состоянии и предполагаемой конфигурации. Этот индикатор не может гарантировать совместимость со всеми запчастями.

Восстановленный

Не подлежит возврату

Набор

Заменен

Восстановленный

Не подлежит возврату

Набор

Заменен