Caterpillar Схемы деталей/узлов
Каталоги

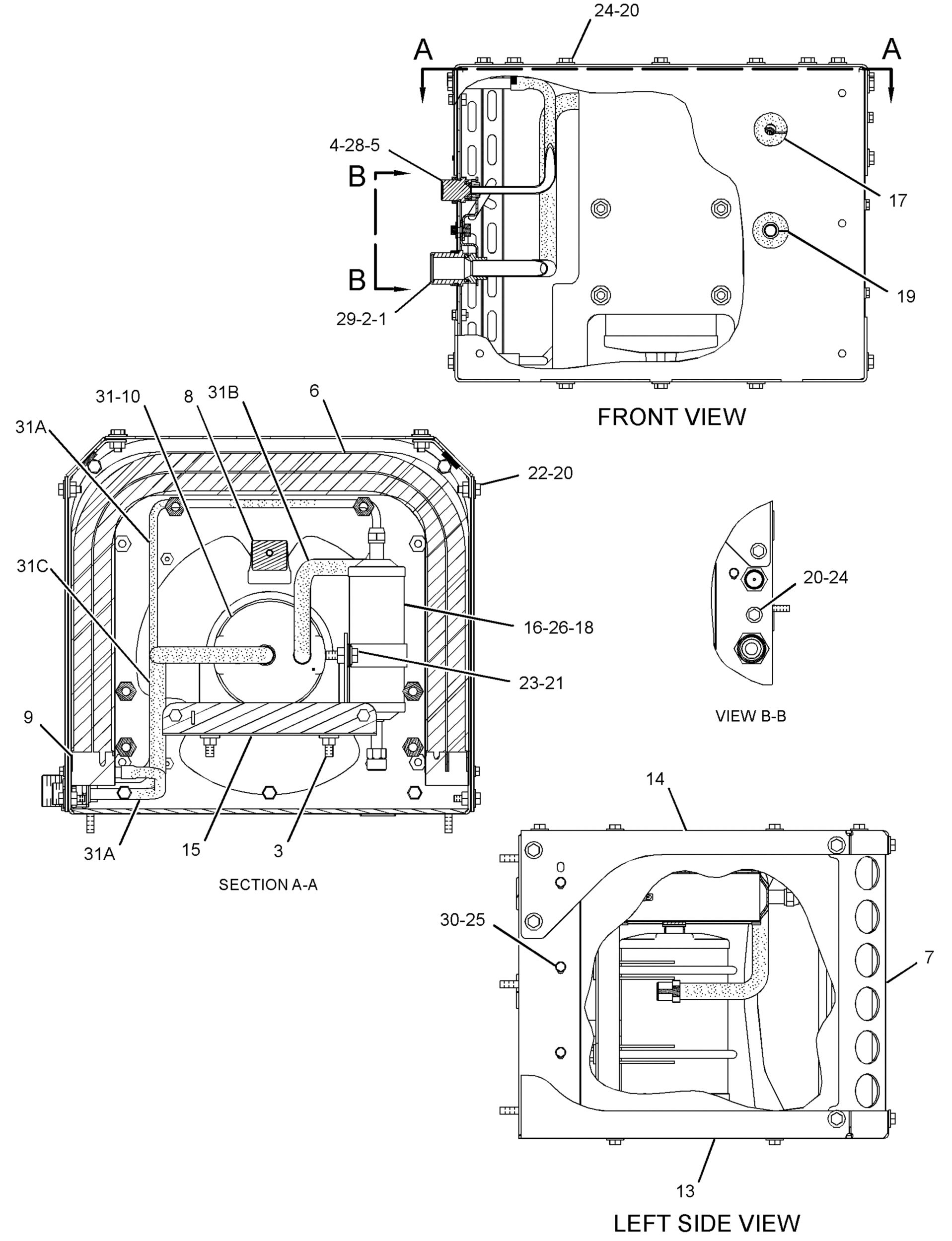
Система охлаждения. Модель MOTOR GRADER 24M

Просмотр 1 - 16 из 19

277-0711: КОНДИЦИОНИРУЮЩАЯ ПРИСАДКА

277-0711: КОНДИЦИОНИРУЮЩАЯ ПРИСАДКА

Cat® Air Conditioner used for Motor Grader Cabin


464-9051: Сердцевина радиатора, 4,78 л

464-9051: Сердцевина радиатора, 4,78 л

Алюминиевая сердцевина радиатора Cat® с 9 ребрами на дюйм


396-9735: Сердцевина промежуточного охладителя наддувного воздуха

396-9735: Сердцевина промежуточного охладителя наддувного воздуха

Сердцевина промежуточного охладителя наддувного воздуха Cat® для использования на автогрейдерах, объ


365-6876: Сердцевина маслоохладителя

365-6876: Сердцевина маслоохладителя

Сердечник маслоохладителя гидросистемы Cat® оптимизирует гидросистемы с сердечниками охладителя, под


478-4950: ВЕНТИЛЯТОР В СБОРЕ

478-4950: ВЕНТИЛЯТОР В СБОРЕ

Cat® Charging Alternator Fan regulates the temperature of the alternator by circulating air, ensurin


273-9628: ДЕФЛЕКТОР

273-9628: ДЕФЛЕКТОР

Cat® Radiator Guard Baffle shields a machinery's radiator from debris and damage, ensuring efficient


273-9626: ДЕФЛЕКТОР

273-9626: ДЕФЛЕКТОР

Cat® Engine Radiator Rubber Guard


266-6789: КОЖУХ В СБОРЕ

266-6789: КОЖУХ В СБОРЕ

Cat® Plastic Fan Shroud


Просмотр 1 - 16 из 19

Обозначение

Обозначение

Заводское исполнение

Эта запчасть разработана в соответствии с характеристиками производителя специально для вашего оборудования Cat.

В случае изменения конфигурации производителя продукт может не подойти к вашему оборудованию Cat. Перед покупкой проконсультируйтесь со своим дилером Cat, чтобы убедиться, что запчасть подходит для оборудования Cat в его текущем состоянии и предполагаемой конфигурации. Этот индикатор не может гарантировать совместимость со всеми запчастями.

Восстановленный

Не подлежит возврату

Набор

Заменен

Восстановленный

Не подлежит возврату

Набор

Заменен