Caterpillar Схемы деталей/узлов
Каталоги

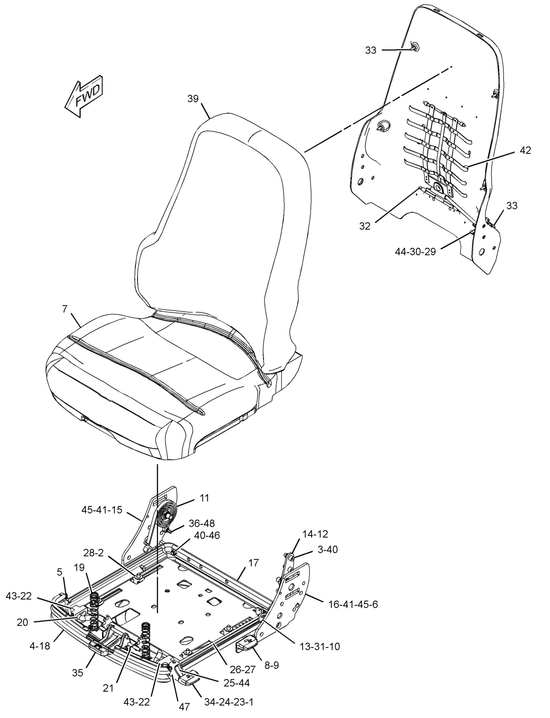
Салон кабины. Модель WHEEL TRACTOR 621K

Просмотр 1 - 16 из 32

164-1273: ПРУЖИНА УДЛИНИТЕЛЬНАЯ

164-1273: ПРУЖИНА УДЛИНИТЕЛЬНАЯ

Cat® Seat Cushion Tilt Extension Spring helps maintain a comfortable and customized seating position


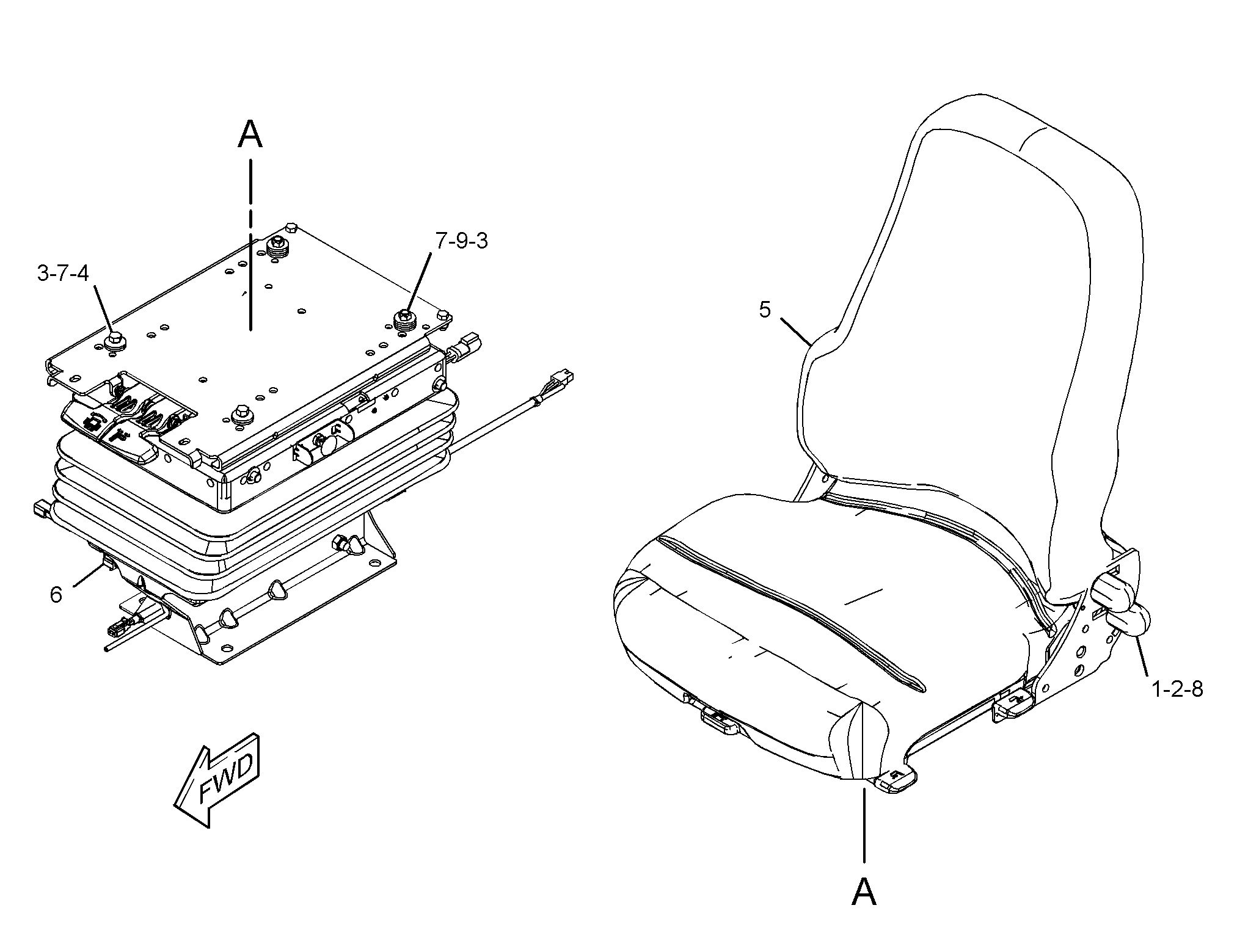
424-6942: БЛОК ПОДВЕСКИ

424-6942: БЛОК ПОДВЕСКИ

Cat® 530mm Long Air Suspension Seat


164-1245: Подушка в сборе — сиденье

164-1245: Подушка в сборе — сиденье

Подушка сиденья Cat в сборе (делюкс)


396-4055: Ремень в сборе - сиденье

396-4055: Ремень в сборе - сиденье

Ремень безопасности в сборе Cat® (регулируемый)


528-7196: 2-точечный ремень безопасности с инерционной катушкой

528-7196: 2-точечный ремень безопасности с инерционной катушкой

Ремень безопасности Cat® образуют фиксирующую систему безопасности в кабине оператора машин Cat.


164-1254: Сфера

164-1254: Сфера

Селектор Cat® (кресло с наклонной спинкой)(нижний)


164-1251: Пружина механизма регулировки наклона спинки

164-1251: Пружина механизма регулировки наклона спинки

Пружина механизма регулировки наклона спинки Cat®


Просмотр 1 - 16 из 32

Обозначение

Обозначение

Заводское исполнение

Эта запчасть разработана в соответствии с характеристиками производителя специально для вашего оборудования Cat.

В случае изменения конфигурации производителя продукт может не подойти к вашему оборудованию Cat. Перед покупкой проконсультируйтесь со своим дилером Cat, чтобы убедиться, что запчасть подходит для оборудования Cat в его текущем состоянии и предполагаемой конфигурации. Этот индикатор не может гарантировать совместимость со всеми запчастями.

Восстановленный

Не подлежит возврату

Набор

Заменен

Восстановленный

Не подлежит возврату

Набор

Заменен