Caterpillar Схемы деталей/узлов
Каталоги

Салон кабины. Модель TRUCK 773E

Просмотр 1 - 9 из 9

137-0075: Напольный коврик для кабины оператора, толщина 14 мм

137-0075: Напольный коврик для кабины оператора, толщина 14 мм

Напольный коврик Cat® длиной 1230 мм для кабины оператора


137-0094: Обшивка кабины Rops длиной 1264 мм

137-0094: Обшивка кабины Rops длиной 1264 мм

Обшивка кабины Cat® Rops длиной 1264 мм для нижних компонентов кабины


161-9289: Ползунок блока вставок с резьбой 1/4-20

161-9289: Ползунок блока вставок с резьбой 1/4-20

Ползунок блока Cat® с латунной вставкой с резьбой 1/4-20


209-8323: Панель левой боковой двери кабины

209-8323: Панель левой боковой двери кабины

Панель левой боковой двери кабины Cat®


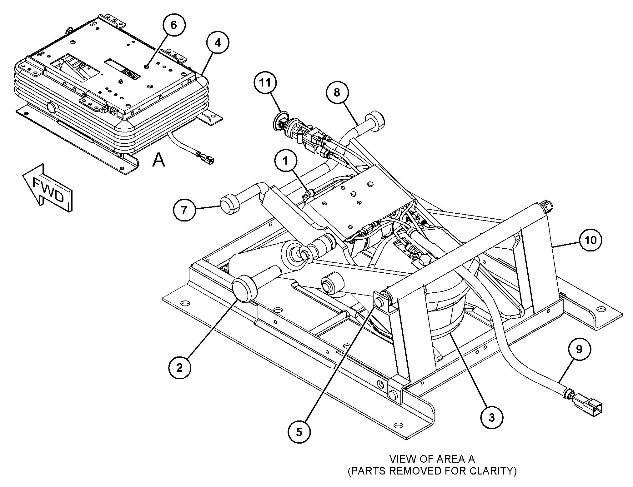
351-0549: ПОДВЕСКА

351-0549: ПОДВЕСКА

Cat® Air Seat Suspension system utilizes compressed air to provide adjustable support and cushioning


Просмотр 1 - 9 из 9

Обозначение

Обозначение

Заводское исполнение

Эта запчасть разработана в соответствии с характеристиками производителя специально для вашего оборудования Cat.

В случае изменения конфигурации производителя продукт может не подойти к вашему оборудованию Cat. Перед покупкой проконсультируйтесь со своим дилером Cat, чтобы убедиться, что запчасть подходит для оборудования Cat в его текущем состоянии и предполагаемой конфигурации. Этот индикатор не может гарантировать совместимость со всеми запчастями.

Восстановленный

Не подлежит возврату

Набор

Заменен

Восстановленный

Не подлежит возврату

Набор

Заменен