Caterpillar Схемы деталей/узлов
Каталоги

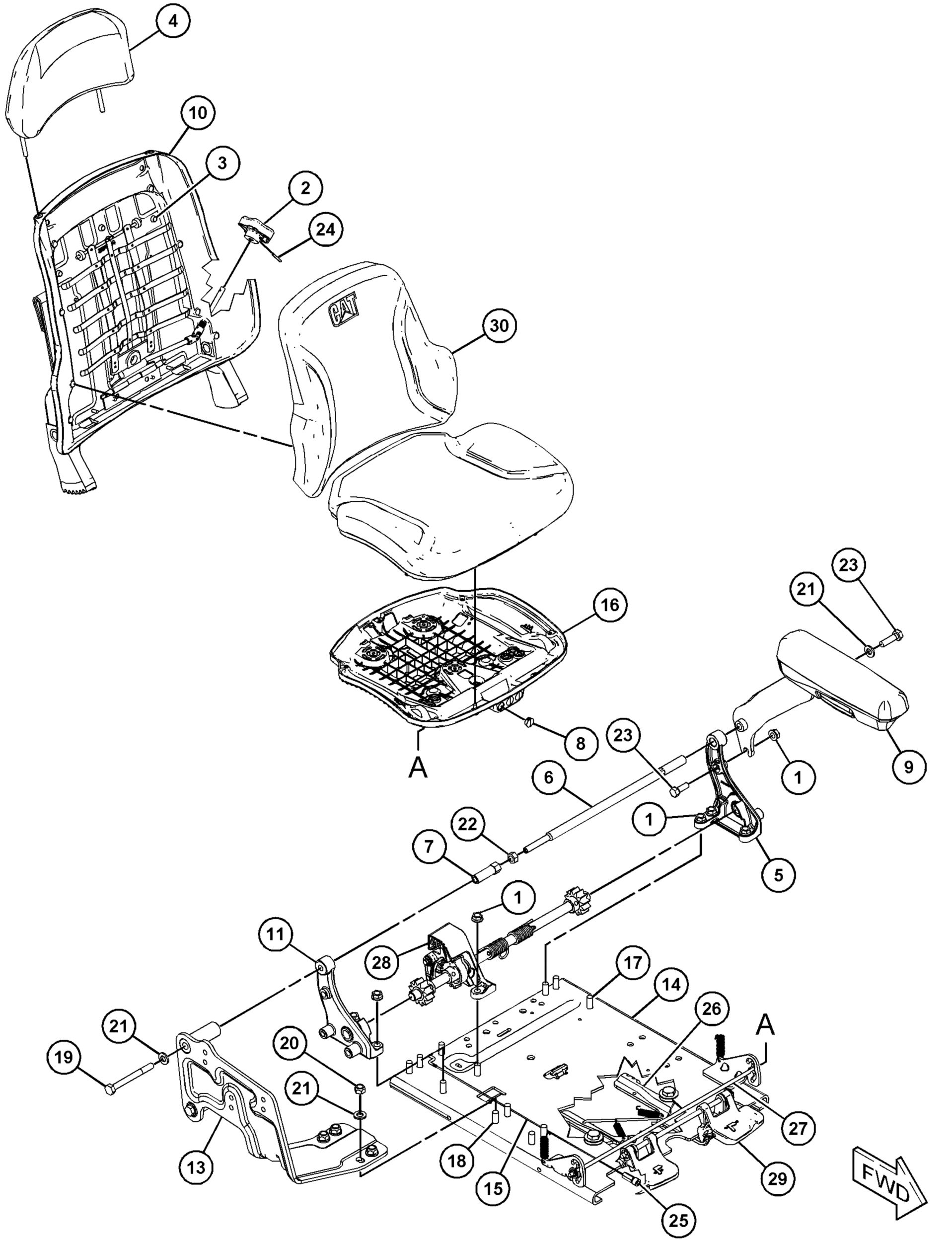
Салон кабины. Модель WHEEL SKIDDER 525D

Просмотр 1 - 15 из 15

136-1543: Пластина в сборе

136-1543: Пластина в сборе

Пластина Cat® в сборе (поясничная)


164-4883: Рукоятка поясничной опоры

164-4883: Рукоятка поясничной опоры

Рукоятка поясничной опоры Cat®


213-5168: ИНДИКАТОР РЫЧАГА

213-5168: ИНДИКАТОР РЫЧАГА

Cat® Air Suspension Seat Indicator Plastic Arm helps operators monitor the air pressure level, ensur


213-5169: КОРПУС

213-5169: КОРПУС

Cat® Operator Cabin Seat Suspension Indicator Housing to house the indicator bulbs while providing p


282-2035: Подушка в сборе

282-2035: Подушка в сборе

Подушка Cat® в сборе (левая) (накладка на бедро)


282-2037: Подушка в сборе

282-2037: Подушка в сборе

Подушка Cat® в сборе (подлокотник)


314-5162: Кронштейн в сборе

314-5162: Кронштейн в сборе

Кронштейн Cat® (правый)


369-9004: Кабель в сборе

369-9004: Кабель в сборе

Трос Cat® в сборе (подрессоренное сиденье)


440-6708: БЛОК ПОДВЕСКИ

440-6708: БЛОК ПОДВЕСКИ

Cat® Adjustable Air Seat Suspension is a cutting-edge solution designed to provide customizable comf


442-0746: СИДЕНЬЕ С ПОДВЕСКОЙ

442-0746: СИДЕНЬЕ С ПОДВЕСКОЙ

Cat® Suspension Seat absorbs shocks and vibrations, providing ergonomic support and comfort to opera


Просмотр 1 - 15 из 15

Обозначение

Обозначение

Заводское исполнение

Эта запчасть разработана в соответствии с характеристиками производителя специально для вашего оборудования Cat.

В случае изменения конфигурации производителя продукт может не подойти к вашему оборудованию Cat. Перед покупкой проконсультируйтесь со своим дилером Cat, чтобы убедиться, что запчасть подходит для оборудования Cat в его текущем состоянии и предполагаемой конфигурации. Этот индикатор не может гарантировать совместимость со всеми запчастями.

Восстановленный

Не подлежит возврату

Набор

Заменен

Восстановленный

Не подлежит возврату

Набор

Заменен