Caterpillar Схемы деталей/узлов
Каталоги

Кабины. Модель TRUCK 772

Просмотр 1 - 16 из 54

223-4472: Лестничная ступенька длиной 362 мм

223-4472: Лестничная ступенька длиной 362 мм

Ступенька лестницы Cat® обеспечивает доступ к компонентам, предназначенным для облегчения безопасног


256-8700: ОПОРНО-СЦЕПНОЕ УСТРОЙСТВО В СБОРЕ

256-8700: ОПОРНО-СЦЕПНОЕ УСТРОЙСТВО В СБОРЕ

Cat® Operator Seat Support provides structural stability to operator seats, ensuring safe and comfor


269-8692: ДВЕРЬ В СБОРЕ

269-8692: ДВЕРЬ В СБОРЕ

Cat® Radiator Guard Cowling Door protects the radiator and cooling components from debris and enviro


3V-7689: Рукоять отсека с двухпозиционным фиксатором

3V-7689: Рукоять отсека с двухпозиционным фиксатором

Стальная рукоять отсека Cat® с двухпозиционным фиксатором


279-8823: Кожух датчика частоты вращения

279-8823: Кожух датчика частоты вращения

Кожух датчика частоты вращения


351-4950: Коллектор кондиционера в сборе

351-4950: Коллектор кондиционера в сборе

Коллектор в сборе Cat® (кондиционер воздуха)


240-2139: ПЕДАЛЬ ТОРМОЗА

240-2139: ПЕДАЛЬ ТОРМОЗА

Cat® Brake Control Foot Pedal


134-7258: Информационная пленка для охлаждающей жидкости с увеличенным сроком службы

134-7258: Информационная пленка для охлаждающей жидкости с увеличенным сроком службы

Информационная пленка Cat® с увеличенным сроком службы охлаждающей жидкости содержит важную информац


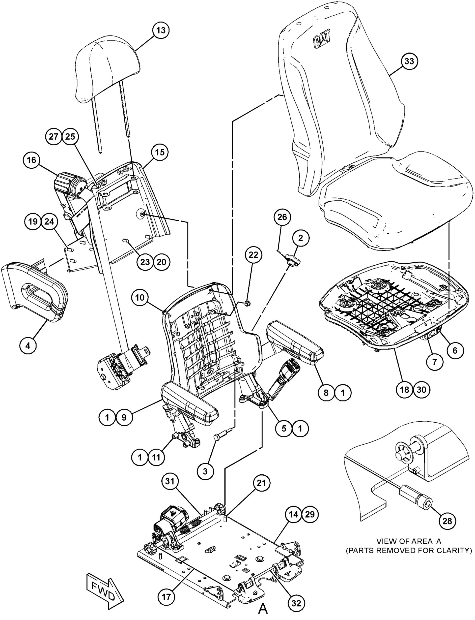
489-6524: БЛОК СИДЕНЬЯ

489-6524: БЛОК СИДЕНЬЯ

Cat® Cloth Suspension Seat provides unparalleled shock absorption and stability for a smooth ride fo


422-6882: Рукоять модульная

422-6882: Рукоять модульная

Модульная рукоять Cat® (управление подъемником)


280-1595: УПЛОТНЕНИЕ

280-1595: УПЛОТНЕНИЕ

Cat® 1070mm Long Radiator Baffle Seal


300-6837: УПЛОТНЕНИЕ

300-6837: УПЛОТНЕНИЕ

Cat® Platform Fender Seal serves to provide a protective barrier against contaminants, enhancing equ


163-1201: Звуковой сигнал с низким тоном 24 В пост. тока.

163-1201: Звуковой сигнал с низким тоном 24 В пост. тока.

Пластиковый звуковой сигнал Cat® 24 В пост. тока с низким тоном рассчитан на рабочую температуру от


Просмотр 1 - 16 из 54

Обозначение

Обозначение

Заводское исполнение

Эта запчасть разработана в соответствии с характеристиками производителя специально для вашего оборудования Cat.

В случае изменения конфигурации производителя продукт может не подойти к вашему оборудованию Cat. Перед покупкой проконсультируйтесь со своим дилером Cat, чтобы убедиться, что запчасть подходит для оборудования Cat в его текущем состоянии и предполагаемой конфигурации. Этот индикатор не может гарантировать совместимость со всеми запчастями.

Восстановленный

Не подлежит возврату

Набор

Заменен

Восстановленный

Не подлежит возврату

Набор

Заменен