Caterpillar Схемы деталей/узлов
Каталоги

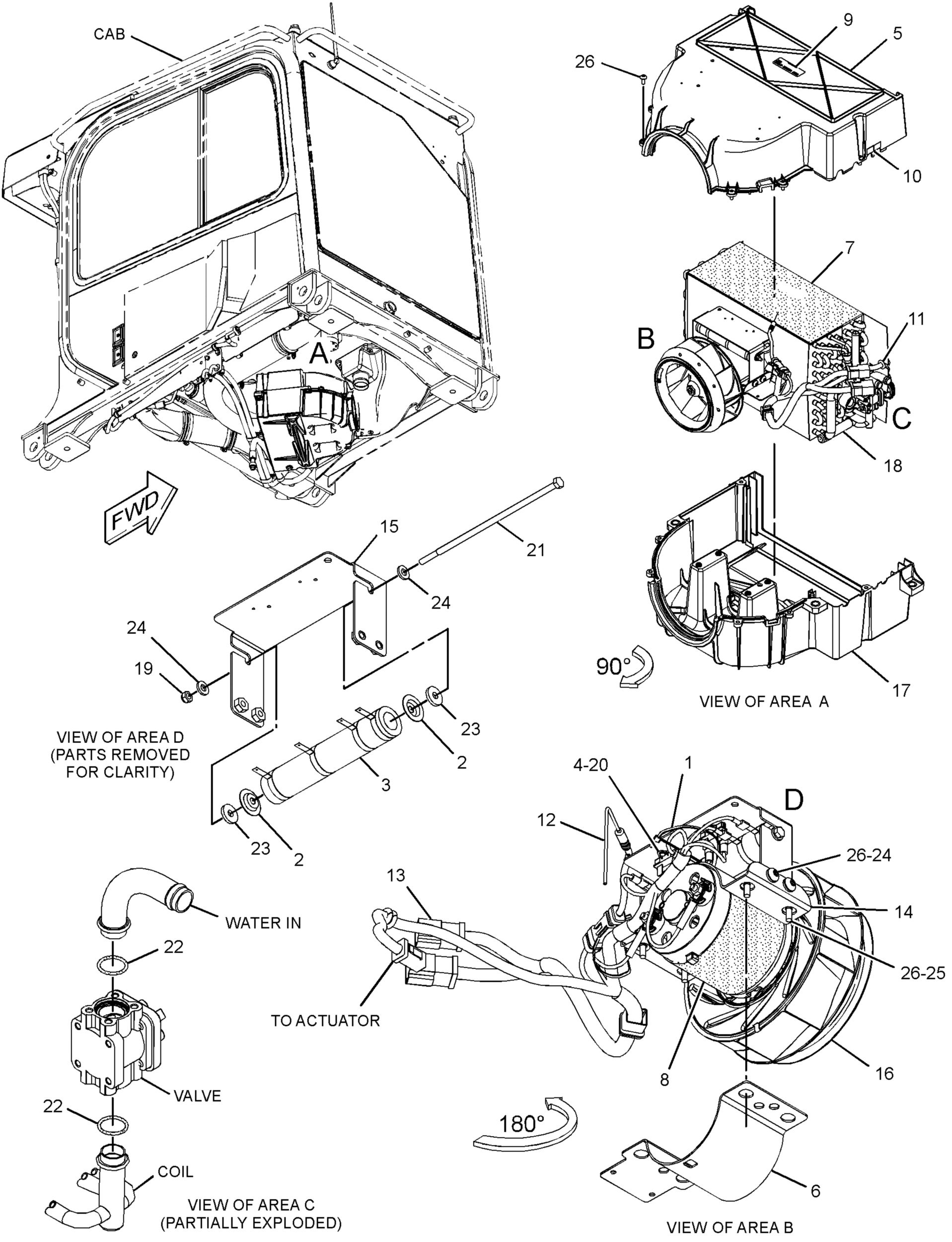
Кабины. Модель WHEEL TRACTOR 637K

Просмотр 1 - 16 из 48

320-1291: Основная муфта и компрессор хладагента, 24 В

320-1291: Основная муфта и компрессор хладагента, 24 В

Компрессор хладагента Cat® (24 В, муфта)


330-5030: Электродвигатель стеклоочистителя в сборе

330-5030: Электродвигатель стеклоочистителя в сборе

Электродвигатель стеклоочистителя ветрового стекла Cat® (24 В) (задний)


8Y-5726: Гнездо защелки длиной 35 мм

8Y-5726: Гнездо защелки длиной 35 мм

Гнездо защелки Cat® длиной 35 мм


461-6520: УПЛОТНЕНИЕ СМ ОПТОМ

461-6520: УПЛОТНЕНИЕ СМ ОПТОМ

Cat® Cabin Door Seal Bulk is used to provide a seal between Cabin parts or between the cabin and the


374-2914: ПАНЕЛЬ ПРАВАЯ В СБОРЕ

374-2914: ПАНЕЛЬ ПРАВАЯ В СБОРЕ

Cat® Engine Front Hood Panel is a protective cover that encloses and shields the right-hand side of


3E-4051: Уплотнение крышки фитинга кондиционера воздуха

3E-4051: Уплотнение крышки фитинга кондиционера воздуха

Уплотнительный колпачок Cat® для нижнего бокового зарядного отверстия кондиционера


320-2149: Змеевик испарителя в сборе

320-2149: Змеевик испарителя в сборе

Змеевик испарителя Cat® в сборе


134-7258: Информационная пленка для охлаждающей жидкости с увеличенным сроком службы

134-7258: Информационная пленка для охлаждающей жидкости с увеличенным сроком службы

Информационная пленка Cat® с увеличенным сроком службы охлаждающей жидкости содержит важную информац


7X-2049: Дроссель в сборе

7X-2049: Дроссель в сборе

Дроссель в сборе Cat® (кондиционер воздуха)


396-4055: Ремень в сборе - сиденье

396-4055: Ремень в сборе - сиденье

Ремень безопасности в сборе Cat® (регулируемый)


433-2857: ОБИВКА ПОТОЛКА В СБОРЕ

433-2857: ОБИВКА ПОТОЛКА В СБОРЕ

Cat® Operator Cabin Front Sound Suppression Panel Headliner reduces noise levels and provides a quie


20R-8190: Электронный блок управления (ЭБУ)

20R-8190: Электронный блок управления (ЭБУ)

Электронный блок управления Cat® (ЭБУ)


Просмотр 1 - 16 из 48

Обозначение

Обозначение

Заводское исполнение

Эта запчасть разработана в соответствии с характеристиками производителя специально для вашего оборудования Cat.

В случае изменения конфигурации производителя продукт может не подойти к вашему оборудованию Cat. Перед покупкой проконсультируйтесь со своим дилером Cat, чтобы убедиться, что запчасть подходит для оборудования Cat в его текущем состоянии и предполагаемой конфигурации. Этот индикатор не может гарантировать совместимость со всеми запчастями.

Восстановленный

Не подлежит возврату

Набор

Заменен

Восстановленный

Не подлежит возврату

Набор

Заменен